產品介紹
產品名稱及型號:軸流式止回閥
HC42H.T.X-10.16.25.40.63.100 系列
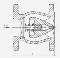
產品特點及用途:該閥由閥體、閥座、導流體、閥瓣、軸瓦及彈簧等零件組成。內部流道采用流線型設計,壓力損失小,閥瓣啟閉行程很短,停泵時可快速關閉,防止巨大的水錘聲,形成靜音效果。該閥主要用于給水、排水、消防、暖通系統、石化、電力等工業項目,可安裝于水泵出口處,防止介質倒流及水錘對設備的損壞。
HC42H.T.X-10.16.25.40.63.100 系列
產品特點及用途:該閥由閥體、閥座、導流體、閥瓣、軸瓦及彈簧等零件組成。內部流道采用流線型設計,壓力損失小,閥瓣啟閉行程很短,停泵時可快速關閉,防止巨大的水錘聲,形成靜音效果。該閥主要用于給水、排水、消防、暖通系統、石化、電力等工業項目,可安裝于水泵出口處,防止介質倒流及水錘對設備的損壞。
產品采用標準:
產品標準按照GB/T 21387
結構長度按照GB/T 21387
法蘭連接按照GB/T 17241.6 GB/T 9113
壓力試驗按照GB/T 13927
主要性能規范: 公稱尺寸DN50~DN500 公稱壓力PN10~PN100
| 公稱壓力 | PN10 | PN16 | PN25 | PN40 | PN63 | PN100 |
| 最高工作壓力(MPa) | 1.0 | 1.6 | 2.5 | 4.0 | 6.3 | 10 |
| 密封試驗壓力(MPa) | 1.1 | 1.76 | 2.75 | 4.4 | 6.93 | 11 |
| 殼體試驗壓力(MPa) | 1.5 | 2.4 | 3.75 | 6 | 9.45 | 15 |
| 適用介質 | 蒸汽、水、油品 | |||||
| 介質溫度 | X<80℃,≤150℃,H≤200℃ | |||||
主要零部件及材料:
| 零件名稱 | 材質 |
| 閥體、導流體 | 鑄鐵、鑄鋼、不銹鋼 |
| 閥座、軸瓦、閥瓣、軸 | 鑄鋼、青銅、不銹鋼 |
| 彈簧 | 不銹鋼 |

TEL:

E-mail us
PDF Download
Inquiry





