產品介紹
產品型號:D3(9)41W
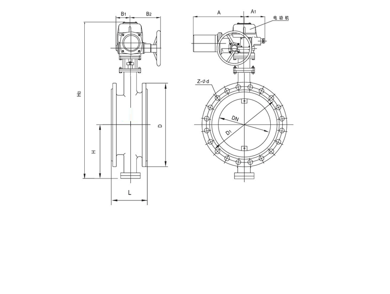
標準規范:1.法蘭連接尺寸:GB/T9113.1-2000 JB/T82.1-1994
2.結構長度:GB/T12221-1989
3.壓力試驗:GB/T13927-1992 ,JB/T8692-1998
法蘭通風蝶閥主要參數:密封試驗≤1.5% (泄漏量)
適用介質:煤氣,煙道氣體,含塵氣體等。
產品適用溫度:-40-650℃
法蘭通風蝶閥的產品用途:
法蘭通風蝶閥采用閥體同質材料加工成密封圈,驅動方式有:蝸輪手動、氣動、電動可供選擇。法蘭通風蝶閥在冶金、化工、建材、電站、玻璃等行業中的通風、環保工程的含塵冷風或熱風氣體管道中,作為氣體介質調節流量或切斷裝置。
法蘭通風蝶閥的特點:
1、采用中線式碟板與短結構鋼板焊接的新型結構形式設計制造的,結構緊湊、重量輕、便于安裝、流阻小、流通量大,避免高溫膨脹的影響,操作輕便。
2、內無連桿、螺栓等、工作可靠、使用壽命長。可以多工位安裝,不受介質流向影響。



TEL:

E-mail us
PDF Download
Inquiry





