產品介紹
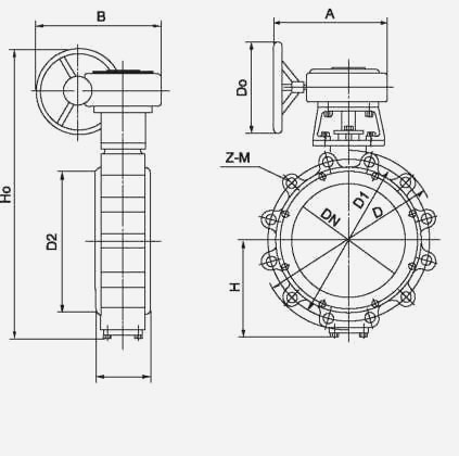
產品名稱及型號:對夾式(含凸耳)蝶閥 D7(3/2/1)(H/F) D37(3/2/1)(H/F) D67(3/2/1)(H/F) D97(3/2/1)(H/F)
產品用途: 本蝶閥適用于食品、飲料、醫藥、化工等純凈管路及工業環保、水處理、高層建 筑、給排水管路作啟閉或調節介質流量之用,結構型式可分為單偏心/雙偏心/三偏心。
結構特點:
1、雙偏心結構,具有越關越緊的密封功能,密封性能可靠。
2、密封副材料選用不銹鋼或軟材料,軟材料使用壽命長。
3、橡膠密封圈即可位于閥體上,也可以位于蝶板上,可適用不同特點的介質,供用戶選擇。
4、蝶板采用框架結構,強度高,過流面積大,流阻小。
5、整體烤漆、能有效地防止銹蝕且只要更換密封閥座密封材料,就可使用于不同介質。
6、本閥結構獨特,操作靈活,省力,方便。
主要性能規范:
單偏心/雙偏心/三偏心
驅動方式有手動、蝸輪蝸桿傳動、氣動、電動
公稱通徑DN50~DN600 公稱壓力PN10~PN25
英制規格2”~24” 磅級Class 150~300
產品采用標準:
國標系列GB/T 12238、GB/T 12221、JB/T 79、JB/T 82、GB/T 9115 GB/T9113、GB/T13927、JB/T 9092
美標系列 API609、MSS-Sp-68、ASME Bl6.10、API609、MSS.Sp-68、ASME B16.5、ASME B16.47、AP1598
主要零部件及材料:
| 序號 | 零件名稱 | 材質 | 序號 | 零件名稱 | 材質 |
| 1 | 閥體 | WCB/ CF8/CF8M | 5 | 填料 | 柔性石墨 |
| 2 | 閥桿 | 2Cr13/06Cr18Ni9Ti | 6 | 填料壓蓋 | WCB/CF8/CF8M |
| 06Cr18Ni12Mo2Ti | |||||
| 3 | 蝶板組合件 | WCB+不銹鋼/WCB+不銹鋼復合件、 | 7 | 支架 | WCB/CF8/CF8M |
| WCB/CF8/CF8M | |||||
| 4 | 填料墊 | 2Cr13 | 8 | 驅動裝置 |
組件 |


TEL:

E-mail us
PDF Download
Inquiry





