產品介紹
產品型號:D971X/J
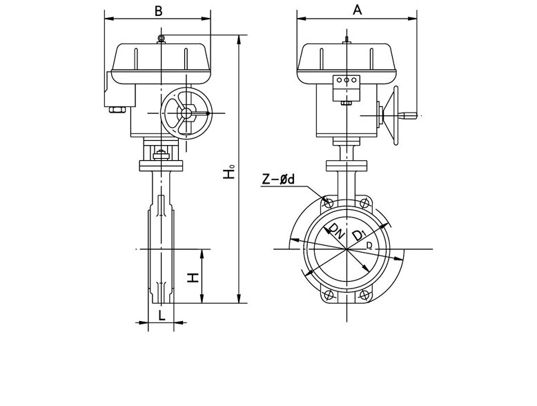
標準規范:1.法蘭連接尺寸:GB/T9113.1-2000 GB/T17241.6-1998
2.結構長度:GB/T12221-1989
3.壓力試驗:GB/T13927-1992
電動對夾式襯膠中心蝶閥的技術參數:1.強度試驗:1.5
2.密封試驗:1.1
3.適用介質:水、蒸汽、油品、燃氣、污水、海水、腐蝕介質等。
4.適用溫度:-40℃-160℃
電動對夾式襯膠中心蝶閥的產品用途:本蝶閥適用于食品、飲料、醫藥、化工等純凈管路及工業環保、水處理、高層建筑、給排水管路作啟閉或調節介質流量之用。




TEL:

E-mail us
PDF Download
Inquiry





