產品介紹
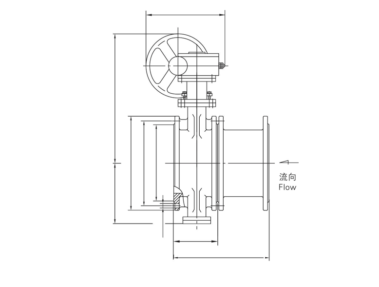
采用三偏心蝶閥,分段軸設計,流通能力大,流阻小,減緩磨損,延長閥門使用壽命。
蝶板密封面采用隱藏式設計,避免介質直接沖刷損傷。
抗磨短節內設有特殊結構,在全開啟狀態下保護蝶板密封面免受沖刷。
高耐磨的閥座采用活接結構,用戶可根據閥門磨損情況,方便更換,以降低用戶生產使用成本。
閥門操作采用蝸輪傳動,減輕蝶閥操作力矩,開關靈活,保護閥門安全運行。根據用戶的需要可以提供氣動或電動耐磨蝶閥。
適用介質范圍廣更適用于風送、氣送粉末顆粒介質。



TEL:

E-mail us
PDF Download
Inquiry





